2013年初中毕业生学业考试一模试卷(一)A
物 理
一、选择题(本题共12小题,每小题2分,共24分.每小题给出的四个选项中只有一个选项正确)
1.下列有关声现象的说法,正确的是
A.只要物体振动,就一定能听到声音
B.“闻其声知其人”是依据声音的音色来判断的
C.在相同情况下,超声波的速度比可听声波的速度大得多
D.深夜,优美悦耳的歌声不可能是噪声
2.下图四种情况所成的像,直接由光沿直线传播形成的是

3.关于粒子和宇宙,下列说法正确的是
A.用鼻子闻到花的香味,说明分子在运动
B.分子是不可再分的最小粒子
C.磁铁能吸引铁是因为分子间有引力
D.太阳是太阳系中心,也是宇宙的中心
4.下列做法不符合安全用电的是
A.组装家庭电路时将开关接在零线上
B.洗衣机的金属外壳与地线相连
C.在建楼房里安装漏电保护器
D.使用测电笔时手指接触笔尾金属电极
5.对下列图中物理现象的描述,正确的是

6.根据生活经验,你认为下列数据符合实际情况的是
A.一个鸡蛋的质量大约是500g
B.常温下,光在空气中的传播速度是340m/s
C.沐浴时让人感到舒适的水温约是80℃
D.大量事实表明:不高于36V的电压对人体是安全的
7.如图所示,能说明发电机工作原理的是

8.下列说法中正确的是
A.多数个坐过山车感觉太快、太刺激,这是由于惯性较大的缘故
B.跳远运动员助跑起跳,是为了增大惯性力
C.踢出去的足球在地上越滚越慢,说明物体的运动需要力来维持
D.抛出去的铅球在空中运动一段时间才落回地面,是因为铅球有惯性且受到重力作用
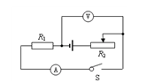
9.如图所示的电路中,电源电压不变,R1为定值电阻,开关S闭合后,滑片向右移动时
下列说法正确的是

A.电流表示数变大,电压表与电流表示数之比变大
B.电流表示数变小,电压表与电流表示数之比不变
C.电流表示数变大,电压表与电流表示数之比不变
D.电压表示数变大,电压表与电流表示数之比变大
10.社会上食品造假事件时有发生.小明的奶奶从自由市场上购买了一箱牛奶,小明想知道牛奶是否掺水.通过查阅资料得知,在牛奶中掺水后,掺水含量与牛奶密度的关系如下表所示,小明取l00ml这种牛奶,测得它的质量为102.2g,则这种牛奶
>>点击下载完整版试题及答案